We know that reactive loads such as inductors and capacitors dissipate zero power, yet the fact that they drop voltage and draw current gives the deceptive impression that they actually do dissipate power.
This “phantom power” is called reactive power, and it is measured in a unit called Volt-Amps-Reactive (VAR), rather than watts.
The mathematical symbol for reactive power is (unfortunately) the capital letter Q.
The actual amount of power being used, or dissipated, in a circuit is called true power, and it is measured in watts (symbolized by the capital letter P, as always).
The combination of reactive power and true power is called apparent power, and it is the product of a circuit’s voltage and current, without reference to phase angle.
Apparent power is measured in the unit of Volt-Amps (VA) and is symbolized by the capital letter S.
As a rule, true power is a function of a circuit’s dissipative elements, usually resistances (R). Reactive power is a function of a circuit’s reactance (X).
Apparent power is a function of a circuit’s total impedance (Z). Since we’re dealing with scalar quantities for power calculation, any complex starting quantities such as voltage (V), current (I), and impedance must be represented by their polar magnitudes, not by real or imaginary rectangular components.
For instance, if I’m calculating true power from current and resistance, I must use the polar magnitude for current, and not merely the “real” or “imaginary” portion of the current.
If I’m calculating apparent power from voltage and impedance, both of these formerly complex quantities must be reduced to their polar magnitudes for the scalar arithmetic.
There are several power equations relating the three types of power to resistance, reactance, and impedance (all using scalar quantities):
$$\text{True Power in Watts} = P = I^2R = \frac{V^2}{R}$$
$$\text{Reactive Power in Volt-Amps-Reactive (VAR)} = Q = I^2X = \frac{V^2}{X}$$
$$\text{Apparent Power in Volt-Amps (VAR)} = S = I^2Z = \frac{V^2}{Z} = IV$$
Please note that there are two equations each for the calculation of true and reactive power. There are three equations available for the calculation of apparent power, P=IV being useful only for that purpose.
Examine the following circuits and see how these three types of power interrelate for: a purely resistive load, a purely reactive load, and a resistive/reactive load.

True power, reactive power, and apparent power for a purely resistive load.
$$\text{True Power} = P = I^2R = 240 \text{ W}$$
$$\text{Reactive Power} = Q = I^2X = 0 \text{ VAR}$$
$$\text{Apparent Power} = S = I^2Z = 240 \text {VA}$$

True power, reactive power, and apparent power for a purely reactive load.
$$\text{True Power} = P = I^2R = 0 \text{ W}$$
$$\text{Reactive Power} = Q = I^2X = 238.73 \text{ VAR}$$
$$\text{Apparent Power} = S = I^2Z = 238.73 \text {VA}$$

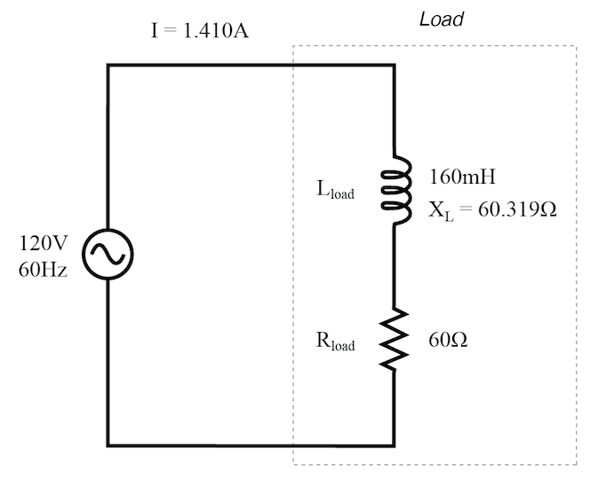
True power, reactive power, and apparent power for a resistive/reactive load.
$$\text{True Power} = P = I^2R = 119.365 \text{ W}$$
$$\text{Reactive Power} = Q = I^2X = 119.998 \text{ VAR}$$
$$\text{Apparent Power} = S = I^2Z = 169.256 \text {VA}$$
These three types of power—true, reactive, and apparent—relate to one another in trigonometric form. We call this the power triangle: (Figure below).

Power triangle relating apparent power to true power and reactive power.
Using the laws of trigonometry, we can solve for the length of any side (amount of any type of power), given the lengths of the other two sides, or the length of one side and an angle.
In Partnership with congatec
In Partnership with CODICO
In Partnership with Control.com
In Partnership with Würth Elektronik
In Partnership with Bulgin
True power=150w
Reactive power=125VAR
apparant power is ?
What is the solution and how to solve